Sampling and vaporization of liquefied natural gas conform ISO 8943, for custody transfer of LNG with compliance to GIIGNL, ISO 10715, tested against EN 12838.
Complies with LNG standards ISO 8943 and EN 12838.
Choose the best cryogenic LNG probe-vaporizer that provides verifiably accurate and representative LNG samples at process pressure.
Mechatest provide LNG sampling and LNG analysis systems with a wide variety of gas analysers and solutions.
The LNG has a temperature of -162°C @ 1 bar, and under these conditions it is not easy to keep the sample representative, the use of a specific LNG Vaporizer sampling system is the most important and also the weakest part to get reliable analysis!
For an accurate LNG measuring system you need an expert, a "reliable" LNG Probe Vaporizer and a natural gas analyser system.
Wrong design and small errors in measurement can translate to hundreds of thousands or even millions of dollars in financial risk per transaction.
LNG analysis and LNG sampling equipment;
From our experience we highly recommend LNG analysis with the Emerson or ABB Natural Gas Chromatograph, this analyser represents the most rugged, economical, versatile, and high-precision on-line gas chromatographs in the industry. Designed with flow computer and chromatograph capabilities for fiscal metering, custody transfer of LNG.
The ideal solution for natural gas custody transfer measurement with outputs in heating value (Btu/CV Value) and Wobbe Index.
Liquefied Natural Gas (LNG) is a mixture of hydrocarbons, ranging from methane (C1) to butane (C4), with approx. 85 to 95% methane, and little C5+. The main usage of LNG is for domestic heating as well as fuel for producing electricity. LNG is one of the energy sources showing continuous growth in parallel with global demand.
The stages involved in the LNG chain are exploration, liquefaction, shipping, storage and regasification, in some of these stages you need LNG samples and analysis to measure the LNG quality and energy content.
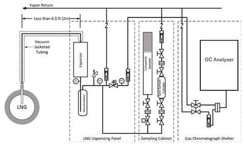
The LNG sampling systems allows storing samples in containers for the purpose of analysing LNG in the laboratory. At any stage during this entire online measurement process, the LNG sample shall not be fractionated into a liquid and a gas phase!
The vaporisation of the LNG must be as complete as possible so that the gas obtained is representative of the quality of the LNG transferred. The LNG sample has to be totally vaporised before being sent to the online Gas Chromatograph.
Compliance to:
FSRU LNG SAMPLING ISO 8943
ISO 10715 / EN 12838
For custody transfer of LNG with compliance to GIIGNL, ISO 8943, tested against EN 12838.

Non-Representative Samples:
Inaccurate Analysis:
Fractionation:
When LNG is transferred from buyer to seller, accurate measurement is essential to avoid misallocating value and causing financial losses.
Large market, high values:
The LNG market is substantial, wrong design and small errors in measurement can translate to hundreds of thousands or even millions of dollars in financial risk per transaction.
Specialized LNG sampling systems use controlled, sub-cooled liquid sampling and carefully designed vaporizers to ensure the sample is representative. These systems are equipped with:
The objective is transform LNG from liquid to gas state in supercritical conditions at very high pressure (above 75 bar), thus the LNG sample goes directly into the desired gas state. Such transformation is represented in the figure by the green dotted line. In this way, a good design in order to avoid fractionation, together with measuring some parameters allow to guarantee that the Vaporiser is working properly and the whole LNG that is feeding it is completely vaporised without partial evaporation. In short, not fractioned vaporisation is taking place in the vaporiser, ensuring that the required sample quality and stability is maintained carefully before sending to Gas Chromatograph.
Several LNG Probe Vaporizer and an analyser systems are available to your company. So why choose a LNG Probe Vaporizer and an analyser system? And why would you order your LNG Probe Vaporizer and an analyser system at Mechatest? Allow us to elaborate:
These are just some of the benefits that Mechatest has to offer. Contact us for more detailed information about the advantages of our LNG Probe Vaporizer and an analyser systems and services.
Finding the most effective LNG Probe Vaporizer and an analyser solution is not easy . Therefore, our specialists are standing by to help you choose the correct LNG Probe Vaporizer equipment. Contact us by calling at +31 (0)15 – 310 51 83
We make sampling solutions helping to protect the environment now and for future generations, together we can make a difference.
| Doedijns - Mechatest Sampling Solutions | Vydraulics Group | Vremac | Sypack | |
| Bleiswijkseweg 51 | Telephone & Email | Hydropack | Koppen & Lethem | |
| 2712 PB Zoetermeer | +31(0)88 091 2811 | Vapo | GDM | |
| The Netherlands | sales.mechatest@vydraulics.com |